- مدارهای مجتمع (IC)
رله ها
- فن و تهویه
کلید و سوئیچ
خازن
فیوز و جافیوزی
ترانزیستورها
دیودها
ولوم، پتانس، مولتی ترن
سلف و فریت و چوک
سیم و کابل
فیبر و نوار مدار چاپی
سوکتها
مقاومت
مدارهای منطقی (TTL-CMOS)
LED & LASER
فیش و کانکتور
- ترمینال فونیکس
- D کانکتور
- اسلت (H کانکتور)
- دین کانکتور
- کانکتور ATX
- کانکتور BNC
- کانکتور IDC
- کانکتور USB
- کانکتور XH
- کانکتور پاور
- ترمیتال تغذیه و فیش موزی
- ترمینال روبردی
- ترمینال صنعتی
- ترمینال مخابراتی
- کانکتورهای خاص
- کانکتورهای فلزی ( استیل، روسی و …)
- کاور D کانکتور
- اسپیسر
- پین هدر
- فیش کولری و متعلقات
- فیشهای A / V و آداپتوری
- کامپیوتری و شبکه
وریستور
اپتوکوپلر
هیت سینک، خمیر سیلیکون
FET & MOSFET
وارنیش حرارتی
SCR
کریستال
IGBT
ویژه
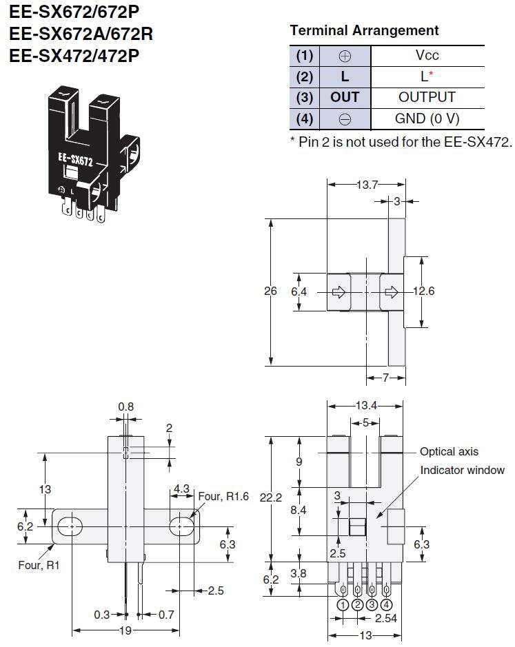
سنسور سوئیچ فتوالکتریک اسلات مدل EE-SX672A
0 تومانعدد
سنسور نوری 5 تا 24 ولتی مدل EE-SX672A
ناموجود
توضیحات
معرفی:
سنسور سوییچ فوتوالکتریک اسلات EE-SX672A یک سنسور فتوالکتریک از نوع شیاری با پیکربندی NPN می باشد که می تواند 50 تا 100 میلی آمپر کار سوئیچینگ را انجام دهد همچنین فرکانس پاسخگویی سنسور سوییچ EE-SX672A تا 1 کیلوهرتز است. این سنسور دارای نشانگر نوری جهت نظارت بر عملکرد و محدوده ولتاژ کاری گسترده 5 تا 24 ولت DC می باشد ، و همچنین دارای خروجی Dark-ON/Light-ON نیز می باشد. طراحی آن T شکل می باشد و مرکز شیار 7 میلی متری است.
مشخصات:
- مدل: EE-SX672A
- روش سنجش: از طریق پرتو یا شکاف
- فاصله حسگر: 5mm (عرض شکاف)
- نوع خروجی:NPN
- زمان پاسخ: 0.17 میلی ثانیه
- ولتاژ منبع تغذیه: 5 تا 24 ولت
- ابعاد: 25x15x15 میلی متر
دیتاشیت
INTRUDUCTION:
The EE-SX67A series are slot type photomicrosensor with connector or prewired models. This photomicrosensor operates with 50mA to 100mA direct switching capacity for built-in application.
Specification:
Product Category: Optical Switches, Transmissive, Phototransistor Output
Slot Width: 5 mm
Aperture Width: 0.8 mm
Maximum Collector Current: 100 mA
Mounting Style: Panel Mount
Minimum Operating Temperature: – 25 C
Maximum Operating Temperature: + 55 C
Series: EE-SX67
Packaging: Bulk
Automation and Safety
Height: 26 mm
Length: 26 mm
Number of Channels: 1 Channel
Output Type: Phototransistor
Product Type: Optical Switches, Transmissive, Phototransistor Output
Sensing Distance: 5 mm
Sensing Method: Transmissive, Slotted, Through-Beam Type
Subcategory: Optical Switches
Wavelength: 940 nm
Width: 13.7 mm


نظرات (0)
اولین کسی باشید که دیدگاهی می نویسد “سنسور سوئیچ فتوالکتریک اسلات مدل EE-SX672A” لغو پاسخ
لیزر (LASER)
LED & لنز LED
RADIAL LED
SMD LED
لنز LED
FET & MOSFET-SMD
FET & MOSFET-DIP
ماژولها
موتورها و پمپ ها
سنسورها
کیتهای آموزشی
تجهیزات پروازی
رباتیک
کنترل از راه دور
نورپردازی
SSR
مبدلهای DC-DC
روشنایی
پل دیود
تابلو روان
منابع تغذیه و شارژر
ترانسفورماتورها
باتری و جاباتری
ابزار لحیمکاری و تجهیزات جانبی
نمایشگرها
جعبه و پایه جعبه
آژیر، بلندگو، بیزر
سلولهای خورشیدی
پیچ و مهره و بست کمربندی

نقد و بررسیها
هنوز بررسیای ثبت نشده است.